

一、光照傳感器產品簡介
光照傳感器又稱光照度傳感器,光照傳感器是一種用于測量光照強度的傳感器,簡稱照度,工作原理是將光照強度值轉為電壓值,主要用于農業林業溫室大棚培育等。
山東萬象環境科技有限公司作為專業研發生產氣象傳感器的企業,一直致力于氣象傳感器和氣象環境解決方案推廣應用。具有完整的生產鏈、實力雄厚的技術團隊和全面的營銷團隊,我們研發生產的傳感器已廣泛應用到智慧農業、氣象監測、城市環境監測、風力發電、航海船舶、航空機場、橋梁隧道等領域,客戶遍布全國各地,并取得了良好的社會效益和經濟效益。
二、產品特點
1、抗干擾能力強,具有看門狗電路,自動復位功能,保證系統穩定運行
2、高集成度,無移動部件,零磨損
3、免維護,無需現場校準
4、采用ASA工程塑料室外應用常年不變色
5、產品設計輸出信號標配為RS485通訊接口(MODBUS協議);可選配232、USB、以太網接口,支持數據實時讀取☆
6、可選配無線傳輸模塊,最小傳輸間隔1分鐘
三、技術參數
1、光照:0-20W LUX(5%)
2、功率:0.24W
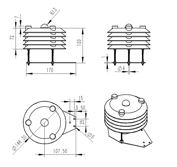
四、產品尺寸圖

五、產品結構圖

?WX-SW3水文流量站通過現代傳感技術感知水流的每一次脈動,成為守護高原江河安全的重要基礎設施,它采用多參···
?隨著夏季腳步的臨近,雨水增多,汛期也要隨之到來,這對于水利工程、灌溉工程等都是一個極大的考驗,需要提···
?WX-SW2水文監測系統是可以實時監測渠道內水位、降雨量的監測設備,在之前的監測方法中面對突如其來的洪水、···
?WX-Q3農業四情監測系統是一款針對農田中“土壤、蟲情、氣象、苗情、孢子”這幾大關鍵要素進行實時監測與預警···
?當戶外探險者踏上未知的征程,或是農業工作者走進田間地頭,WX-SQ5A超聲波手持式氣象儀就能成為他們貼心的氣···
?WX-L3明渠雷達流量計,作為一種非接觸式的流量測量設備,它利用雷達波原理,對明渠內的水流進行實時、準確的···
?WX-SQ5A超聲波手持式氣象儀的突破,始于對用戶需求的深度洞察。傳統設備為追求精度,往往采用機械式傳感器,···
?WX-FD2S風吸式太陽能殺蟲燈最顯著的特點在于其綠色、環保的能源利用方式。不同于傳統的電力殺蟲燈,風吸式太···
?WX-YJ1翻斗式雨水在線監測系統是通過翻斗式測量原理來實時監測雨量的變化。這種系統內置高精度傳感器,能夠···
?WX-EL3光伏板隱裂快速檢測儀就是伴隨著光伏板的大量應用而誕生的它的后備力量,隱裂問題是近些年在光伏電站···
魯公網安備37079402370807 備案號:魯ICP備2022000322號-4 百度地圖txt地圖